產品橫幅

軟管 / 編織管 / 內襯管

內襯管 - 金屬配管總成

用於工業領域,尤其是在化學工業、食品加工、製藥業以及其他需要高度耐腐蝕和潔淨環境的領域。 金屬配管 / 直通 / 三通 / 多通 / 異徑 金屬內襯PTFE單片式異徑法蘭 PTFE內襯鐵氟龍直通管 / PTFE內襯鐵氟龍三通管 PTFE內襯金屬管 / PTFE內襯接頭 / PTFE內襯球閥 金屬內襯鐵氟龍直通管 / 金屬內襯鐵氟龍三通管 鐵氟龍內襯金屬管 / 鐵氟龍內襯接頭 / 鐵氟龍內襯球閥

技術優勢

  • 溫度範圍:攝氏-200~260°C。
  • 耐真空性:適用於化工生產中,經由冷卻、縱向排放、泵閥不同不操作等情況下引起局部真空狀態。
  • 耐高壓性:可承受高達3Mpa的使用壓力。
  • 抗滲透性:使用高品質樹酯,解決冷熱伸縮,使其達到同步伸縮。
  • 安裝方便:標準化尺寸配置,管配件具高適配的互換性,為安裝、備件提供豐富適配性。


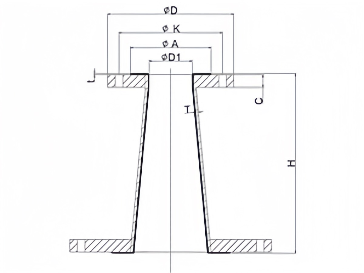
不鏽鋼/碳鋼-內襯PTFE鐵氟龍管道、管件、直管 - 規格表


不鏽鋼/碳鋼-內襯PTFE鐵氟龍彎管 - 規格表


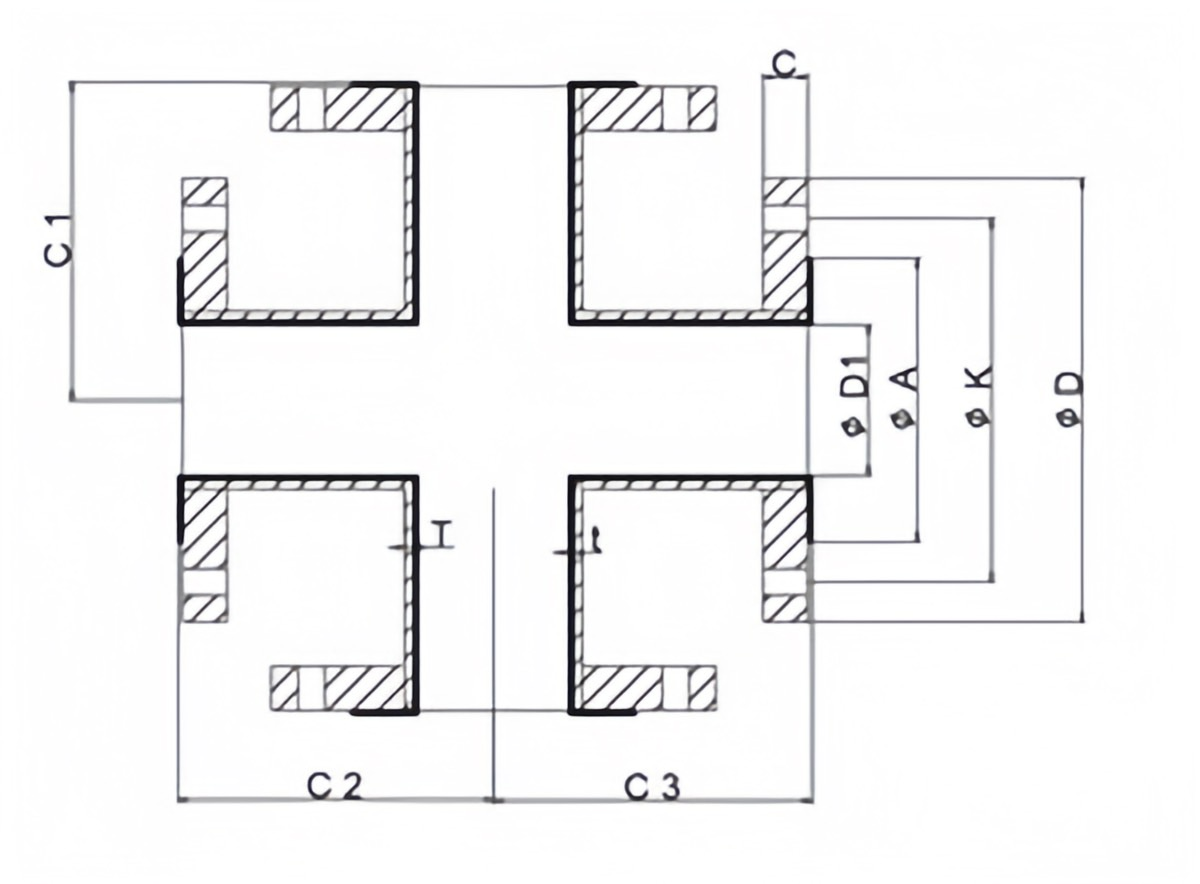
不鏽鋼/碳鋼-內襯PTFE鐵氟龍四通管 - 規格表


不鏽鋼/碳鋼-內襯PTFE鐵氟龍 - 視鏡/視盅         

鐵氟龍內襯氟視鏡是工業管道裝置上的附件之一,用以觀測管路或設備中單元流體的流量、色澤變化、直接監控流程。廣泛用於石油、化工、醫藥、染化、製酸製鹼行業。


內襯管 - 金屬配管總成產品圖